loading
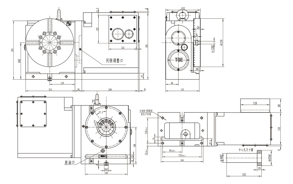
ТКВ-210
TIGER
TCV-210
Технический параметр
| Элемент | Единица | ТКВ-210 | |
| Диаметр таблицы | мм | Φ210 | |
| Диаметр центрального отверстия стола | мм | Φ67 | |
| Внутренний диаметр отверстия.Центрального рукава | мм | Φ40 | |
| Диаметр центрального сквозного отверстия. | мм | Φ40 | |
| Высота центра (вертикальное положение) | мм | 160 | |
| Высота стола (по горизонтали) | мм | 152 | |
| Ширина Т-образного паза стола | мм | 12H7 | |
| Ширина ключа местоположения | 18 | ||
| Минимальная единица настройки | градус | 0.001 | |
| Точность деления | сек | 25 | |
| Повторите точность позиционирования | сек | 8 | |
| Зажимная система (qneumatic) | кг/см2 | 0,5-0,7 | |
| Крутящий момент зажима | Нм | 200 | |
| Серводвигатель | FANUC | a4i/β8is | |
| Сименс | 1FK7060 | ||
| Коэффициент уменьшения | 1/90 | ||
| (4000 об/мин)Макс.скорость(FANUC a) | об/мин | 44.4 | |
| Общий вес (без двигателя) | кг | 58 | |
| Допустимая инерционная нагрузка | Кг.см.сек2 | 8.3 | |
| Допустимая нагрузка на заготовку | Горизонтальный | кг | 85 |
| Укладка плитки | кг | 170 | |
| Укладка плитки | кг | 170 | |