loading
ВЗК
TIGER
WZK
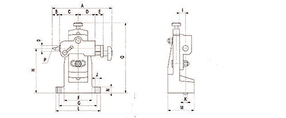
WZK100-1, WZK140, WZK180, WZK224 предназначены для использования с вертикальными поворотными столами. Задняя бабка используется для удержания центрального вала, цилиндров и других заготовок для обработки канавок, шлицев, плоских шпоночных пазов и т. д. Высота и угол центра равны
регулируемый.Центр выдвигается для повторяющихся операций.Центр надежно фиксируется в нужном положении с помощью зажима.Примечание:Регулируемая задняя бабка типа WZK100-1 соответствует FNL100B.Регулируемая задняя бабка типа WZK140 соответствует TSL160.Тип WZK180
регулируемая задняя бабка соответствует TSL200 и TSL250. Регулируемая задняя бабка WZK224 соответствует TSL320.
Технический параметр
| Технические характеристики предметы | ВЗК100-1 | ВЗК140 | ВЗК180 | ВЗК224 |
| Расстояние между центром конуса и основанием, мм | Макс.100 Мин.80 | Макс.140 Мин.100 | Макс.180 Мин.140 | |
| Конусность центра | МТ2 | |||
| Ширина установочной шпонки мм | 12 | 14 | 14 | 18 |
| Угол наклона центральных осей | ±11° | |||
| Ход центра мм | 25 | |||
| Вес нетто, кг | 6 | 8 | 14.5 | 16.5 |
| Общий вес, кг | 8 | 10 | 18.5 | 21 |
| Размеры корпуса мм | 257X230X192 | 281x230×194 | 353X308X223 | 398X308X223 |
| A | B | C | D | E | F | G | H | I | J | K | L | M | N | 0 | P | Q | |
| ВЗК100-1 | 169 | 34 | 50 | 45 | 18 | 100 | 130 | 80-100 | 18 | 12 | 12к7 | 152 | 95 | 20 | 18H7 | 188 | |
| ВЗК140 | 169 | 34 | 50 | 45 | 18 | 110 | 140 | 100-140 | 18 | 14 | 14к7 | 162 | 98 | 20 | 18H7 | 228 | |
| ВЗК180 | 281 | 36 | 87 | 80 | 38 | 130 | 172 | 140-180 | 28 | 14 | 14к7 | 200 | 125 | 24 | 28Ч7 | МТ2 | 277 |
| ВЗК224 | 281 | 36 | 87 | 80 | 38 | 130 | 178 | 180-224 | 28 | 18 | 18к7 | 210 | 125 | 28 | 28Ч7 | МТ2 | 321 |