loading
ТКВР-400
TCVR-400
TCVR-400
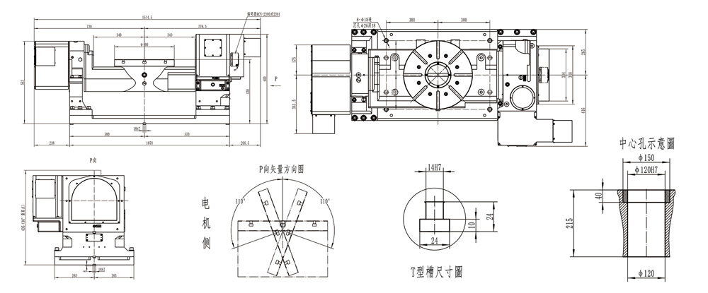
Технический параметр
| Элемент | Единица | ТКВ-400 | |
| Диаметр таблицы | мм | Φ400 | |
| Диаметр центрального отверстия стола | мм | Φ160 | |
| Внутренний диаметр отверстия.Центрального рукава | мм | Φ120 | |
| Диаметр центрального сквозного отверстия. | мм | Φ120 | |
| Высота центра (вертикальная) | мм | 255 | |
| Общая высота стола (по горизонтали) | мм | 250 | |
| Ширина Т-образного паза стола | мм | 14Ч7 | |
| Ширина ключа местоположения | мм | 18 | |
| Минимальная единица настройки | градус | 0.001 | |
| Точность деления | сек | 15 | |
| Повторите точность позиционирования | сек | 4 | |
| Зажимная система (qneumatic) | Кг/см² | 35 | |
| Крутящий момент зажима | Нм | 2000 | |
| Серводвигатель | FANUC | Оптическая ось | α12i/β22is |
| Сименс | Оптическая ось | 1FK7083 | |
| Коэффициент уменьшения | 1/120 | ||
| Максимальная скорость (FANUC α) | об/мин | 25 | |
| Общий вес (без двигателя) | кг | 292 | |